中文站
|
English
泉州市宏山工程机械有限公司欢迎您! 客服热线:0595-28050088
首页
关于我们
新闻中心
产品展示
支重轮系列
托链轮系列
引导轮系列
驱动轮系列
链轨系列
其它系列
技术参数
厂房设备
联系我们
ENGLISH
主页 > 宏山机械 > 技术参数
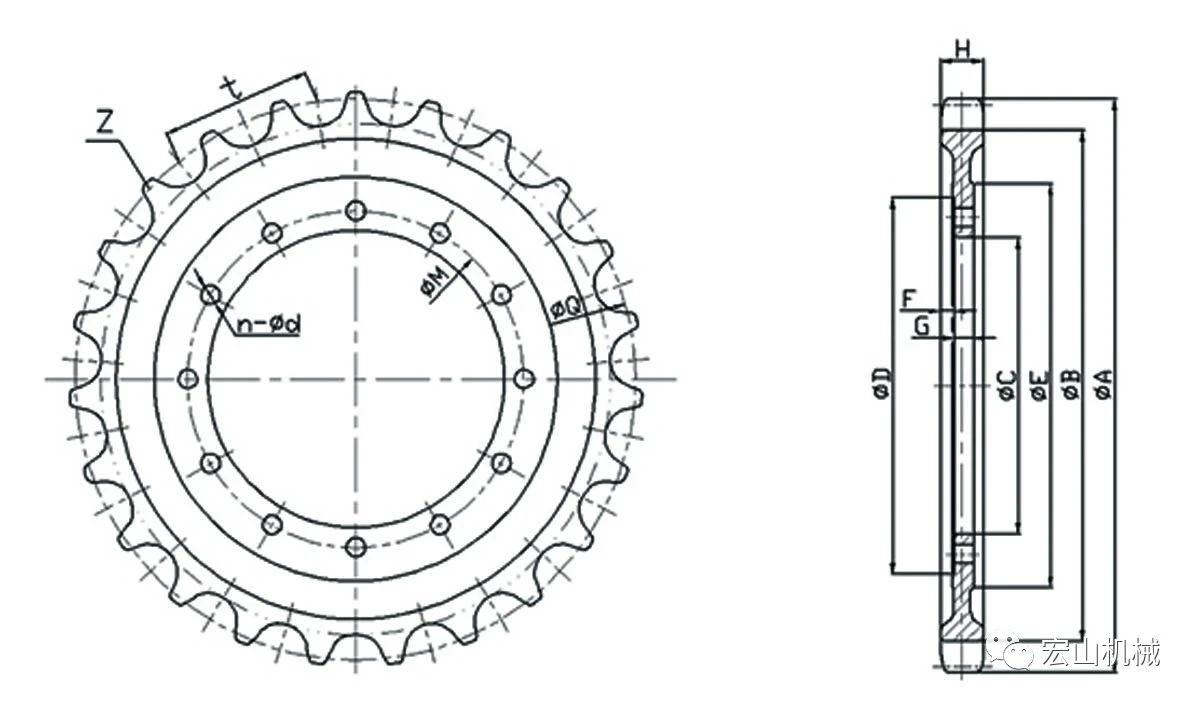
驱动轮总成
内容详情
上一篇:
引导轮总成
下一篇:
支重轮总成
相关产品推荐
更多>>
支重轮总成
支重轮总成
支重轮总成
支重轮总成
支重轮总成
支重轮总成
支重轮总成
支重轮总成
友情链接:
百度
红山机械
泉州市宏山工程机械有限公司-专业工程机械配件厂家
公司地址:福建省泉州市南安市霞美镇顺和路6号
电 话:0595-28050088 22526977 传 真:0595-28050068
电子邮箱:sales@red-hill.cn
Copyright © 泉州市宏山工程机械有限公司 版权所有
备案号:闽ICP备20011616号